专利技术
T E C H N O L O G Y
高清晰DR成像
面阵列探测器和线阵列探测器都存在每个像元具有不同增益系数的情况,因此需要进行探测器一致性校正。数字化X射线摄影系统(DR)使用锥形束照射平板探测器进行成像,然而锥束在源距为无限远时才能形成真正的平行束。在DR系统中,锥束在平板探测器上呈现出“草帽”形状的剂量角分布,因此需要进行“剂量角分布校正”以实现平场效果。这两个校正过程合并在一起被称为增益校正。
尽管平板探测器的生产厂家通常提供了增益校正的软件,但通常只针对特定kV值和灰度水平进行校正,该过程较为复杂,需要操作人员具备高水平的技术。这种校正方法通常以降低反差灵敏度和动态范围为代价,以满足通用需求。
瑞蒂森(HERE)提出了一种创新的增益校正方法,将“剂量角分布校正系数”和“探测器增益不一致性校正系数”融合在一起,并已申请了发明专利。该方法利用DAP值(入射强度计数的最大值)来推算相应的平板探测器入射强度,然后应用于整幅图像的增益校正,设置全局灰度窗位,拉伸全局灰度窗宽,以进行图像复原和全局增强处理。这一系列校正完全由系统自动完成,无需人工干预,从而降低了DR开发和使用的技术成本。HERE的DR设备能够提供高动态范围的校正图像,同时减少了校正过程中产生的统计噪声。
融合增益校正
图像去噪和增强
辐射成像的主要噪声源是统计噪声,通常由信号强度不足引起,导致图像模糊和椒盐噪声等问题。在DR成像系统中,由于剂量角分布的原因,图像的边缘区域受到较小的剂量照射,这可能导致图像边缘处的灰度值较低,使图像看起来比较暗。
大多数DR系统生成的原始图像都是16位的,而目前流行的开源图像增强软件(如OpenCV等)通常处理8位图像。这些软件使用的增强算法包括直方图均衡化、高斯滤波、中值滤波、维纳滤波器、拉普拉斯算子等。虽然这些算法在一般情况下能够提供良好的图像增强效果,但对于质量较差的原始图像来说,它们可能效果不佳。
瑞蒂森(HERE)开发了一套专为16位高动态范围图像处理的图像增强和图像复原算法,包括以下几种:
1. 平场矫正算法
2. 自适应直方图均衡化
3. 保持边缘的局部对比度增强
4. 区域平滑的分区直方图均衡
这些算法针对高动态范围图像,能够有效提高图像质量,解决了传统算法在处理质量较差图像时的不足。
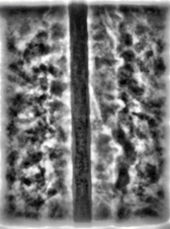
HERE的图像增强和复原算法对DR图像的后处理结果如下:
增强前的图像(左),用瑞蒂森的算法增强后的图像(右)
1. 增强图像的辨识度,呈现细节信息更直观;
2. 锐化图像特征,使边缘和边界更为清晰;
3. 有效降噪,准确显现内部特征、材料密度和缺陷等细节。